技術專題
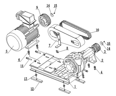
冠能系列剪切泵故障及排除方法
序號 故障 原因 排除方法 1 軸功率過大
- 1、葉輪與泵殼端面或葉輪與襯套發生摩擦或副葉輪發生摩擦。
- 2、泵在比設計點揚程低得多的條件下運行。
- 3、填料壓蓋壓得太緊。
- 4、皮帶打滑。
- 1、調整葉輪與泵殼端面及葉輪與襯套的間隙,或副葉輪的間隙,消除摩擦。
- 2、檢查所配工作機是否符合要求,并關小排出閥門,保證剪切泵在設計揚程工作。
- 3、重新調整壓蓋緊固力。
- 4、張緊皮帶(檢查兩皮帶輪安裝位置是否合適)。。
- 1、大塊顆粒堵塞吸入管和葉輪流道。
- 2、泵轉速下降。
- 3、葉輪磨損。
- 4、葉輪與泵殼端面間隙過大,泄漏增大。
- 5、進口閥門開度太小。
- 1、清除堵塞物。
- 2、使泵在額定轉速下運行。
- 3、更換葉輪。
- 4、調整葉輪與泵殼端面的間隙。
- 5、開大進口閥門。
- 1、潤滑油太多或太少。
- 2、油中有雜質。
- 3、軸承磨損。
- 1、使油面保持在油標規定位置。
- 2、更換潤滑油。
- 3、更換軸承。
- 1、葉輪磨損不平衡。
- 2、軸承磨損。
- 3、聯接松動。
- 4、泵產生汽蝕。
- 1、更換葉輪。
- 2、更換軸承。
- 3、緊固各松動部位。
- 4、改善吸入條件,防止空氣進入泵內。
- 1、機封損壞。
- 2、軸套磨損嚴重。
- 3、密封填料磨損過大。
- 4、盤根環斜卷。
- 5、雜質、異物進入盤根環。
- 6、盤根環斜口一致。
- 1、更換機封。
- 2、更換軸套。
- 3、裝填新的盤根環。
- 4、重新組裝盤根環。
- 5、清除雜質、異物,清洗密封件。
- 6、重新按要求錯位裝填盤根環。
鉆井液重晶石作用及回收方法
重晶石(Barite),學名硫酸鋇(BaSO4)。我國重晶石資源豐富,全國26個省,市自治區均有分布,主要集中在南方,貴州省占全國總儲量三分之一,湖南、廣西分別居全國第二、第三位,我國重晶石不但儲量大,而且品位高,BaSO4>92.8%。富礦儲量占全國富礦總量的99.4%,大中型礦儲量占全國總量88.4%,截止95年底,我國已探明重晶石資源儲量4.6億噸。
重晶石此外,重晶石難溶于水和酸,無毒、無磁性,能吸收X-射線及伽瑪射線等特性。
重晶石在鉆井行業中的主要用途:- 1、用于固控系統泥漿的加重劑,平衡地層壓力,防止井噴;
- 2、在油基鉆井液中,吸附于井壁,起到潤滑防卡作用;
- 3、堵塞地層空隙,屏蔽暫賭。
重晶石產品根據其用途,有不同的規格及質量要求。
石油鉆井用重晶石粉的質量要求:密度≥4.2g/cm3
重晶石粉粒度分布- +200目《3%
- -200目》97%
- -2000目《10%
- 固相粒度分布:
按照美國石油學會(API)制訂的標準,鉆井液中的固相可按其粒度大小分為三大類:
- 砂(API砂) 粒徑大于74μm
- 泥 粒徑介于2~73μm
- 粘土(膠粒) 粒徑小于2μm
粒徑大于2000μm的粗沙粒和粒徑小于2μm的膠粒在鉆井液中所占的比例都不大。其中大于74μm(200目篩布)占3.7~25.9%、小于2μm占5.5~6.5%。
油泥砂的處理方法及研究
上一篇文章,我們探討了油泥砂的來源及危害。目前,油田含油污泥的處理與處置方法很多面,處理工序一般是濃縮、調理、脫水、排放和綜合利用。
在處理工藝方面,國內典型含有污泥處理流程有: 1、含油污泥——天然蒸發池;該工藝流程簡單,從無數處理系統中排出含泥污水直接排入天然蒸發池,進行自然蒸發,含泥污水中含水量高,因此需要較大的蒸發池。在較寒冷和多雨東部油田應用效果差,常常會發生污水溢出蒸發池的現象,造成周圍環境的污染。
2、含油污泥——污泥濃縮池——污泥干化場; 3、含油污泥——濃縮——淘洗除鹽——浮選除油——壓濾脫水;含油污泥經過濃縮沉降(加藥濃縮),降低含水率后,根據原泥含鹽量,按比例加入清水淘洗,降低其含鹽量。在用浮選法使油泥分離,后進行壓濾脫水,獲得濾餅。
4、含油污泥——油泥分離池——濃縮罐——高速離心分離——干污泥池。該流程是將原油脫水、污水處理系統各種設備將含油排放污水、反洗水先進入污水緩沖池,用以均勻的流量進入污泥分離池。在污泥分離池中進行油水泥三相分離,分理處的污油和污水返回系統重復利用。分理處的污泥含水在99%左右。然后由污泥泵打入濃縮泵,濃縮后的絮體沉降物進入離心機進行脫水。脫水后的含水30%~60%的污泥貯存在干污泥池中。
泥漿離心機河北冠能石油機械制造有限公司生產的高比重泥漿離心機是專門用于第4種流程中的絮體沉降物分離的專用離心機。目前已經在中海油和中石化油田進行了多個油泥分離項目的應用。如果您對油泥分離設備有需求,請聯系我們該 Email 地址已受到反垃圾郵件插件保護。要顯示它需要在瀏覽器中啟用 JavaScript。 document.getElementById('cloak38ac911577c4bc31ac719582975765ad').innerHTML = ''; var prefix = 'ma' + 'il' + 'to'; var path = 'hr' + 'ef' + '='; var addy38ac911577c4bc31ac719582975765ad = 'dm' + '@'; addy38ac911577c4bc31ac719582975765ad = addy38ac911577c4bc31ac719582975765ad + 'gngukong' + '.' + 'com'; var addy_text38ac911577c4bc31ac719582975765ad = 'dm' + '@' + 'gngukong' + '.' + 'com';document.getElementById('cloak38ac911577c4bc31ac719582975765ad').innerHTML += ''+addy_text38ac911577c4bc31ac719582975765ad+''; 。
GNDU2000 系列 20尺箱式絮凝加藥系統
冠能GNDU2000系列20尺箱式絮凝加藥系統主要自動配置化學絮凝劑,用于輔助脫水泥漿離心機分離水基鉆井泥漿的細小顆粒,從而得到干凈的水用于工業用途。
眾所周知,常規的固控設備,如鉆井液振動篩,除砂器,鉆井液除泥器以及泥漿離心機多能夠分離2-5微米的顆粒,對于再細小的顆粒,很難通過單純的機械方法進行分離。但是隨著鉆井的不斷進行,超細顆粒越積越多,在泥漿凈化處理系統中,終對鉆井造成很大的影響。鉆井承包商不得不不斷稀釋鉆井液來達到鉆井使用的目的。這就造成了更多水資源的浪費,并產生了更多的鉆井廢棄物。
絮凝加藥系統通過使用GNDU2000系列20尺箱式絮凝加藥系統配合冠能高速變頻離心機,可以分離水基鉆井泥漿中的超細顆粒,滿足循環使用水的要求。
對于泥漿不落地循環系統,冠能絮凝脫水系統尤其重要,它可以幫助鉆井公司保持泥漿干凈,并且能夠減少鉆井廢棄物。從而降低整體的運營成本。對于重泥漿, 先通過機械離心機分離,回收重金石,然后進入到加藥絮凝離心機分離系統。
冠能GNDU2000系列20尺箱式絮凝加藥系統放入一個經過裝修的20尺集裝箱房間內,便于操作和運輸。通過此系統配合冠能脫水離心機,和升降支架及供漿泵,可以達到客戶的整體解決方案要求。
冠能固控撬裝泥漿回收系統相關介紹
冠能固控撬裝泥漿回收系統是冠能公司根據用戶需求,按照客戶對處理后泥漿的具體要求進行設計、制造的適應鉆機作業用的泥漿循環系統。本系統利用絮凝加藥系統來提升離心機的處理能力,本系統由GNG30A-075/GNG30A-075D螺桿泵對泥漿提供動力 ,用戶可以選擇絮凝系統不同的加藥位置與加藥種類,使泥漿有不同的絮凝效果,以此使泥漿離心機達到預期滿意的處理效果,處理后的顆粒物由螺旋輸送器排除系統外。
泥漿回收系統 二、泥漿回收系統基本性能- 1、本系統有兩個倉:一個是攪拌倉,一個是泥漿處理后的儲存倉;整個系統經過離心機處理可以除去2μm以上的大部分固相顆粒。
- 2、攪拌倉中配備有加熱棒,客戶也可以根據使用需要更換不同型號及功率的加熱棒。
- 3、設計泥漿處理量:5 m3/h,額定泥漿處理量:5m3/h,適應環境:-15°~50°。
- 4、適應泥漿黏度:≤45 S 。
- 5、適應氣候條件:雨、雪、霧天氣。
- 6、在額定功率情況下能夠連續工作。
- 7、工作高度范圍:在海拔≤2500 m能正常工作,在海拔≥2500 m時可降效工作。
- 8、系統所有設備為成熟技術新產品,技術性能滿足SY/T5612-2007《石油鉆井液固相控制設備設計規范》之相關要求。
- 9、整機設計合理,結構緊湊,組合靈活,技術先進,操作維修方便,性能安全可靠。
- 10、系統易于調遣、轉移和運輸,能滿足國內、國外公路運輸規定。






